找回密码
 立即注册
楼主: smj

[求助] 听说魔盒主板可以改硬盘盒主板?

[复制链接]

1

主题

51

回帖

93

积分

初级渣柚V2

积分
93
motohua 发表于 2020-3-20 09:55:02 | 显示全部楼层 IP:–湖北–武汉 电信
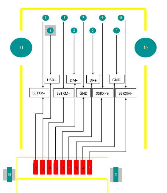
可以按这个接线方式来接,USB3.0  B接口定义自己百度,或者搞个USB3.0 A的接口线,按这个定义焊上,
微信图片_20200316163442.jpg

1

主题

51

回帖

93

积分

初级渣柚V2

积分
93
motohua 发表于 2020-3-20 10:26:35 | 显示全部楼层 IP:–湖北–武汉 电信
也可以按这个接成2.0的 只接2 3 这2条线
usb3.0.png

0

主题

13

回帖

119

积分

初级渣柚V2

积分
119
QQ
公西道人 发表于 2020-12-10 16:08:58 | 显示全部楼层 IP:–广东–梅州 移动
加油赚渣金!

1

主题

12

回帖

33

积分

初级渣柚V1

积分
33
QQ
zhbzhbnn 发表于 2020-12-30 08:42:06 | 显示全部楼层 IP:–陕西–宝鸡 移动
加油赚渣金

0

主题

7

回帖

29

积分

初级渣柚V1

积分
29
QQ
喵内 发表于 2021-1-15 18:16:08 | 显示全部楼层 IP:–辽宁–沈阳 联通
我改了,目前效果不佳,目测是信号干扰,想改的话要么打好屏蔽要么就从芯片那儿引出数据线

0

主题

19

回帖

45

积分

初级渣柚V1

积分
45
QQ
huisesiji 发表于 2021-1-16 11:22:11 | 显示全部楼层 IP:–江苏 移动
各位大佬是真的牛

3

主题

18

回帖

36

积分

初级渣柚V1

积分
36
QQ
yangyanqiu55 发表于 2021-3-9 10:18:56 | 显示全部楼层 IP:–黑龙江–大兴安岭地区 联通

加油赚渣金

6

主题

91

回帖

225

积分

中级渣柚V1

积分
225
feixue0007 发表于 2021-3-9 12:56:14 | 显示全部楼层 IP:–江苏–徐州 电信
游娱宝盒已到手,魔盒一代已到手,准备开始改造x86

0

主题

1

回帖

34

积分

初级渣柚V1

积分
34
西虹市首富 发表于 2021-3-14 21:54:12 | 显示全部楼层 IP:–贵州–贵阳 联通
加油赚渣金
您需要登录后才可以回帖 登录 | 立即注册

本版积分规则

QQ|Archiver|小黑屋|矿渣社区 ( 黔ICP备2024020525号-1 )

GMT+8, 2026-5-18 15:25 , Processed in 0.078468 second(s), 24 queries .

Powered by Discuz! X3.5

© 2001-2026 Discuz! Team.

快速回复 返回顶部 返回列表